Artificer A1 Single Board Computer
Open-Source SBC with AI & High-Speed Interfaces
Description
The Artificer A1 is an open-source single board computer designed around the Allwinner T527 SoC, targeting embedded Linux, AI workloads, and high-speed peripheral connectivity. This project focuses on modern SBC design challenges including DDR memory routing, PCIe, MIPI interfaces, and complex power management.
At its current stage, the project has completed schematic capture and component selection. PCB layout and validation are still in progress, with particular emphasis placed on power sequencing and PMIC configuration correctness.
Project Overview
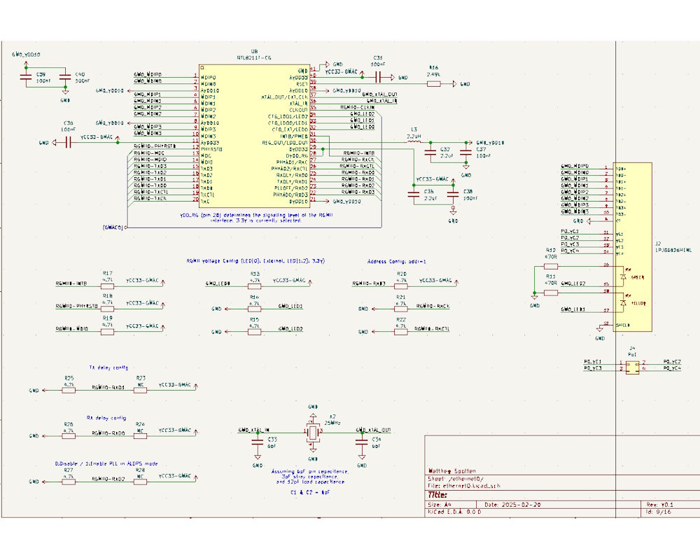
Artificer A1 is intended to be a highly capable development platform with features typically found in commercial SBCs. The board integrates multiple high-speed interfaces including PCIe Gen 2.1, DisplayPort, HDMI, MIPI DSI and CSI, dual Gigabit Ethernet, and USB.
Features & Capabilities
- Allwinner T527 SoC (Octa-core ARM Cortex-A55, up to 1.8 GHz)
- 4GB LPDDR4 SDRAM
- Dual Gigabit Ethernet with RJ45 (PoE capable)
- PCIe Gen 2.1 expansion
- DisplayPort, HDMI, and dual 4-lane MIPI DSI
- Quad 2-lane MIPI CSI camera interfaces
- SD card boot support
- M8800DS2 WiFi / Bluetooth module with onboard PCB antenna
- 12V input via 5.5mm barrel jack
- 2×20 Raspberry Pi–compatible GPIO header
- USB: 4× USB-A 2.0, 1× USB-C 2.0 DRD
- 3.5mm stereo audio and microphone input
Challenges & Design Considerations
- Designing and configuring a complex PMIC to ensure correct power-up sequencing for the T527 SoC
- Understanding PMIC default startup states to guarantee reliable boot behavior
- Managing high-speed signal integrity for DDR, PCIe, MIPI, and Ethernet interfaces
- Balancing layer count, manufacturability, and cost for a dense BGA-based design
- Ensuring realistic PCB fabrication constraints for 0.5mm pitch BGA routing
PCB & Manufacturing Constraints
The Allwinner T527 is packaged in a 0.5mm pitch BGA, which places strict requirements on PCB fabrication and layout capabilities.
- 3 mil trace width
- 3 mil trace spacing
- 10.685 mil pad diameter
- 6 mil drill size
- ~2.34 mil annular ring
- Estimated 6–8 layer stackup (TBD)
Booting Linux
The planned Linux boot strategy includes adding an SPI flash device for storing U-Boot. The system will use U-Boot to initialize hardware and load the Linux kernel and device tree blob from removable or onboard storage.
Future work includes configuring U-Boot for the T527 platform.
Schematics & Design Gallery